兩線制電流信號的優點與高精度4-20mA變送器的電路設計
工業上廣泛采用4-20mA電流信號來傳輸模擬量,例如溫度、壓力、液位等傳感器信號。采用電流信號不容易受干擾,且導線電阻串聯在回路中不影響傳感器精度,可以在普通雙絞線上傳輸數百米等優點。兩線制4-20mA變送器輸出上限電流取20mA是因為防爆的要求,20mA的電流通斷引起的火花能量不足以引燃瓦斯。兩線制4-20m變送器輸出下限沒有取0mA的原因是為了能檢測斷線:兩線制4-20mA壓力變送器輸出正常工作時不會低于4mA,當傳輸線因故障斷路,環路電流降為0。實踐中,常取2mA作為斷線報警值。
兩線制4-20mA變送器將物理量轉換成4-20mA電流信號輸出,必然要有外部電源為其供電。4-20mA電流本身就可以為變送器供電。變送器在電路中相當于一個特殊的負載,特殊之處在于變送器的耗電電流在4-20mA之間根據傳感器輸出而變化,顯示儀表只需要串在電路中即可。這種變送器只需外接兩根線,因而被稱為兩線制變送器。工業電流環標準下限為4mA,因此只要在量程范圍內,變送器至少有4mA供電。這使得兩線制傳感器的設計成為可能。在工業應用中,壓力、溫度、液位等測量點一般在現場,而顯示設備或者控制設備一般都在控制室或控制柜上。兩者之間距離可能長達數百米。這樣可以降低傳輸線纜的成本。
兩線制變送器在原理上是利用了4-20mA信號為自身提供電能。如果變送器自身耗電大于4mA,那么將不可能輸出下限4mA值。因此一般要求兩線制變送器自身耗電(包括傳感器)不大于4mA。這是兩線制變送器的設計根本原則之一。從電路整體結構上來看,兩線制變送器由傳感器、調理電路、兩線制V/I變換器構成。傳感器將溫度、壓力、液位等物理量轉化為電測量,調理電路將傳感器輸出的微弱電信號進行放大、調理、轉化為線性的電壓輸出。兩線制V/I變換電路根據信號調理電路的輸出控制總體耗電電流;同時從環路上獲得電壓并穩壓,供調理電路和傳感器使用。除了V/I變換電路之外,電路中每個部分都有其自身的耗電電流,兩線制變送器的核心設計思想是將所有的電流都包括在V/I變換的反饋環路內。在兩線制變送器中,所有的電路總功耗不能大于4mA,因此電路的低功耗成為主要的設計難點。
另外,處于穩定性和安全性的考慮,工業環境下,環境惡劣對兩線制4-20mA變送器輸出可靠性要求高,因此兩線制變送器的設計上需要考慮一定的保護和增強穩定性措施。電源接反、超壓、浪涌是工業上常見的電源問題,電源接反是設備安裝接線時最容易發生的錯誤,輸入口串一只二極管即可防止接反電源時損壞電路。如果輸入端加一個全橋整流器,那么即使電源接反仍能正常工作。為防止雷擊、靜電放電、浪涌等能量損壞變送器,變送器入口處可以加裝一只TVS管來吸收瞬間過壓的能量。一般TVS電壓值取比運放極限電壓略低,才能起到保護作用。如果可能遭受雷擊,TVS可能吸收容量不夠,壓敏電阻也是必需的,但是壓敏電阻本身漏電會帶來一定誤差。設備運行過程中可能有傳感器斷線、短路等錯誤情況發生?;蛘咻斎肓勘旧砗苡锌赡艹砍蹋兯推鞅仨毐WC任何情況下輸出不會無限制上升,否則有可能損壞變送器本身、電源或者二次顯示儀表。
在4-20mA的電流輸出的電路設計中,我們可以采用集成電路AD421芯片來設計,這可以輕易實現一個16位的DA輸出電路,但是經濟成本很高,在很多的高性價比的傳感器應用中用不上如此昂貴的芯片。
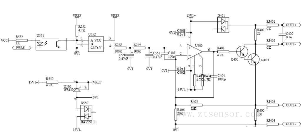
目前,很多的傳感器變送器儀表中都使用了單片機,那么,為何不用單片機的PWM輸出來做一個DA呢?實踐表明,采用MCU來實現高精度的DA完全可行,單片機的PWM可以通過定時器來產生,然后經過一個轉換電路,可以實現一個隔離的DA輸出。下圖為一典型DA輸出電路:
該電路在澤天傳感的壓力、液位、溫度變送器中廣泛應用,利用該電路設計的隔離的4-20mA或者是1-5V的變換電路,完全可以達到0.5‰的精度,同時電路成本適宜。如上圖,PWM經過光耦隔離后,由于波形可能發生畸變,所以,經過一個門電路來整形。然后經過兩個一階濾波電路得到一個直流電平信號。改信號經過運放和反饋回來的信號做一個比較,產生一個控制電平來控制達林頓接法的三極管。輸出部分可以選擇4-20mA或者是1-5V輸出。
在實際應用中,如果要達到更高的輸出精度,可以將穩壓芯片更換成精度更好的基準源。例如TI的LM285-2.5V(溫度系數小于20ppm),或者是更高溫度系數的電壓基準IC等。實際應用中發現,如果要取得比較好的溫漂,一階濾波處的電容最好采用鉭電容。同時,采用低溫飄的運放來控制。通過該電路,完全可以做到14位以上的精度的模擬信號輸出。本文源自澤天傳感,版權所有,轉載請保留出處。

